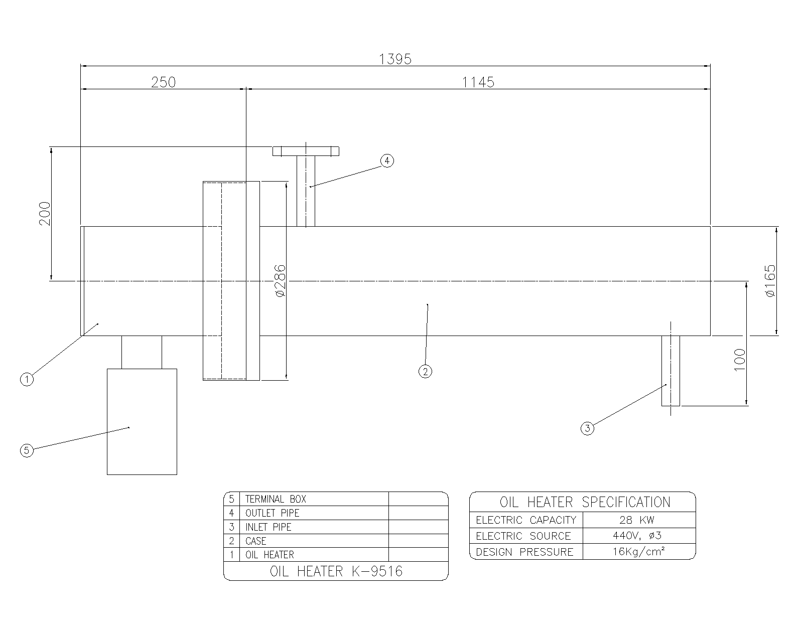
Á¦¸ñ ¿ÀÀÏÈ÷ÅÍ µµ¸é K-9516
ÀÛ¼ºÀÚ Àϱ¤È÷ÅÍ
ÀÛ¼ºÀÏÀÚ 2016-11-28
Á¶È¸¼ö 1507
Ãßõ¼ö 0
 

 
À̸§ ºñ¹Ð¹øÈ£



* ÇÑ±Û 1000ÀÚ ±îÁö¸¸ ÀԷ°¡´É : ÀÚ